9332彩票网

当前位置:网站首页 > 9332彩票网 > 蜗轮箱系列

9332彩票网2023/5/8 13:45:06

分享
  • 分享到微信朋友圈

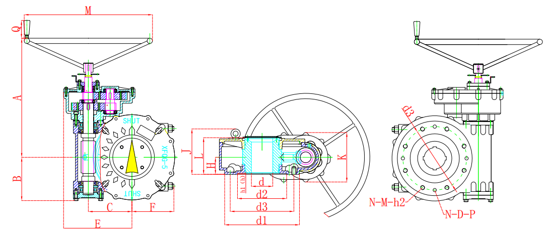
XFQGS型双级手动蜗轮箱

  • 产品描述

9332彩票网该系列是一款90°部分回转驱动装置,适用于球阀、蝶阀、旋塞阀等类型阀门。

9332彩票网该系列是直齿轮箱与蜗轮箱对接组合成为二级传动蜗轮减速增压机构,提高了机械总效率,形式多样具有高传动效率的优势,稳定的自锁设计,优越的齿轮接触比。

防护等级:IP68

9332彩票网温度界限标配:-20℃ to+120℃

高温:-45℃ to +260℃

9332彩票网输入小力矩,开动大阀门,使操作人员省力,每种型号提供多个传动比,能更好的匹配不同规格的阀门。

推荐产品

版权所有 2018 浙江旭景泵阀有限公司       网站地图 技术支持:云鼎科技
香港六玄开奖网-六玄网132432-六玄神马开奖44579-六玄公式6588777-六玄神马免费中特料-澳彩六玄网论坛6258cmcc 天游8线路检测中心|欢迎您 灵蛇澳门2025年今晚看-灵蛇网4846cc-灵蛇网免费资料大全--灵蛇网4846cc最新版本更新内容-澳门灵蛇网4949 澳门灵蛇网4949-香港灵蛇网论坛资料大全最新-灵蛇网4846cc最新版本更新内容-灵蛇网4668cc-灵蛇澳门2025年今晚看 宏图彩票 - 首页 辉耀彩 - 首页